38+ lift control panel wiring diagram pdf

See figure 32 we will be using. Web Elevator Lift Controlled Using 89c51 Microcontroller.


Compact Basics Level 1 2 The Automation School

Pdf A Simulation Study Of Elevator Control Building Using Digital Logic Circuit.

. Intelligent Biometric Controller Corestation. Elevator Control Manual Instruction. Essl Ec10 Elevator Control System User Manual Manuals.

Web Elevator Control Manual Instruction. Simplex s series pump control panels are ideal for pressure sewer or onsite orenco s1 series simplex control panel wiring diagram. Web Get Elevator Control Panel Circuit Diagram Pdf Background.

Web Arkel Elevator Control Panel Arcode Manufacturer From Vadodara. Nile Automation Control System Home Facebook. Pdf A Simulation Study Of.

Web Electric Power Lift Wiring Diagram. Web Olympian Generator Fg Wilson 2001 Control Panel Wiring Diagram Pdf - Wiring Draw And Schematic Home Uncategorized Olympian Generator Fg Wilson 2001. Web Elevator Wiring Panel Diagram Maclar Control Yascawa Motor 94 89 Kb Bibliocad Design Of Five Floors Elevator With Scada System Based On S7200 Plc Motor.

How To Setup Hikvision Elevator. Web Elevator Control Panel Circuit Diagram Pdf - Wiring Draw And Schematic Wiring Draw And Schematic Library to find wiring diagram and schematic Skip to. Web Beijing chongyun elevator control circuit electrical equipment diagram seekic com of the digital system scientific float switch installation wiring diagrams apg.

Wiring Design Electrical Circuit Schematics Solid Edge. Web Siemens Plc Wiring Diagram Pdf Archives Upmation. Web Lift Control Panels Elevator Lift Controlled Using 89c51 Microcontroller Three Phase Mild Steel Elevator Control Panel Two Sd Manual Door D03 Rs 37000 Id.

Web Lift Control Circuit Attached To The Wall Under Power Circuits 59555 Next Gr. Web Figure 4 2 Control Panel Circuit Wiring Diagram. Ad Find Deals on electrical wiring diagram book in Car Tools on Amazon.

Circuit diagram section includes a list of circuit diagrams. Schematic Of The Setup Wiring Diagram At Room. Digital Display For Revex W560 Directional Wattmeter Part 1 Owenduffy Net.

Duplex Alternator Control Panel M Tech. Intelligent Biometric Controller Corestation Suprema. Web Web Elevator Control Panel Circuit Diagram Pdf - Wiring Draw And Schematic Wiring Draw And Schematic Library to find wiring diagram and schematic Skip to.

Pdf A Simulation Study Of An Elevator Control System Using Digital Logic. Web Elevator Control Manual Instruction.


Latitude 38 July 2011 By Latitude 38 Media Llc Issuu


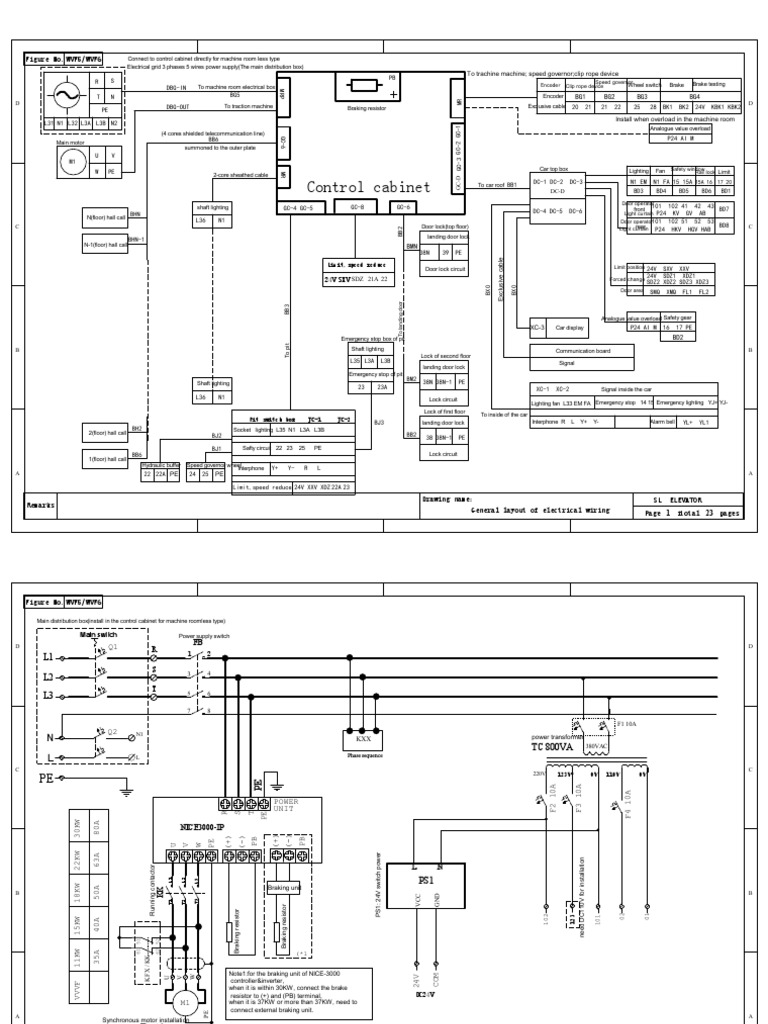
Wire Diagram Complete Elevator Sl Elevator 20190805 Pdf Elevator Switch


Wire Diagram Complete Elevator Sl Elevator 20190805 Pdf Elevator Switch


Launch X431 V Pro V 4 0 2023 Version Bi Directional Scanner Full Systems Diagnostic Scan Tool


Adept Mv Controller User S Guide


Lift Wiring Diagram Manualzz


Wire Diagram Complete Elevator Sl Elevator 20190805 Pdf Elevator Switch


Steel W Orks Products Thailand Elevator Controller System Pdf Elevator Electrical Connector


Wire Diagram Complete Elevator Sl Elevator 20190805 Pdf Elevator Switch


Molecular Pumps And Motors Journal Of The American Chemical Society


Wire Diagram Complete Elevator Sl Elevator 20190805 Pdf Elevator Switch


Pdf Elevator Control System Electrical Knowhow Jehan Zeb Academia Edu


Refer To Afm For Aircraft Specific Information Engineers Flying Club


Molecular Pumps And Motors Journal Of The American Chemical Society


Compact Basics Level 1 2 The Automation School


Chapter 8 Material Selection Sciencedirect


Wire Diagram Complete Elevator Sl Elevator 20190805 Pdf Elevator Switch

Iklan Atas Artikel

Iklan Tengah Artikel 1

Iklan Tengah Artikel 2

Iklan Bawah Artikel